Amplificador de Audio LM386
El LM386 es un amplificador de audio de baja potencia diseñado específicamente para aplicaciones de consumo, como radios portátiles, reproductores de audio y sistemas de intercomunicación. Opera con un voltaje de alimentación bajo, típicamente entre 4V y 12V, y puede entregar hasta 1W de potencia a una carga de 8 ohmios. Una de sus principales ventajas es que requiere muy pocos componentes externos, lo que facilita su implementación en diseños compactos. Además, cuenta con control de ganancia interno ajustable mediante un solo capacitor, permitiendo amplificaciones de 20 a 200 veces. Es ideal para proyectos de audio con microcontroladores o sistemas de bajo consumo que necesitan una solución eficiente y sencilla para amplificación de sonido.
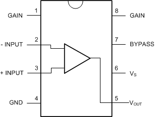
- Description
Description
Especificaciones:
- Encapsulado DIP de 8 pines.
- Posee ganancia de 20, pero con una resistencia y capacitor externo se incrementa la ganancia hasta 200.
- Voltaje de operación entre 4V hasta 12V.
- Corriente estática: 4mA.
- Potencia de salida: 1W.
- Ancho de banda: 300KHz.
- Distorsión total de harmónicos (THD): 0.2%.

